
Purified Water Solutions
Purified water refers to high-purity water obtained by removing impurities (including minerals, organic substances, microorganisms, colloids, etc.) from water through specific purification processes. Its purity is higher than that of ordinary tap water and drinking water, and it is widely used in fields with strict water quality requirements such as pharmaceuticals, biopharmaceuticals, electronics, chemical industry, and laboratories.
Purified Water Solutions
- Low impurity content
- No microbial contamination
- Low conductivity
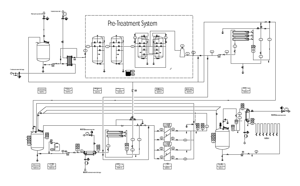
Technology of RO PW Treatment
Modular components of PW water treatment
1. Pre-Treatment
Raw water storage tank optional
Pre-heat exchanger
Multi-media filter
Activated carbon filter
Softener
Security filter
2. Reverse Osmosis & EDI
Booster pumps
2 stage Reverse Osmosis
Middle storage tank optional
Membrane degasser
EDIs
3. Post-Treatment and Distribution
Purified water tank
Pressure booster system
Ozone/UV sterilization
Temperature control
1. Pre-Treatment
Raw water storage tank optional
Pre-heat exchanger
Multi-media filter
Activated carbon filter
Softener
Security filter
2. Reverse Osmosis & EDI
Booster pumps
2 stage Reverse Osmosis
Middle storage tank optional
Membrane degasser
EDIs
3. Post-Treatment and Distribution
Purified water tank
Pressure booster system
Ozone/UV sterilization
Temperature control

Purified water has a wide range of applications, mainly concentrated in fields with high requirements for water purity, specifically including:
1. Purified Water Solutions
- Pharmaceutical production: Used as production water for pharmaceuticals such as injections and oral preparations, applied in batching, dissolving, washing medicine bottles and equipment, etc., which directly affects the quality and safety of pharmaceuticals.
- Medical field: In scenarios such as operating rooms and laboratories, it is used for cleaning and disinfecting instruments, as well as preparing reagents in clinical tests, etc.
- Water Requirements (For reference only): Conforms to USP/EP/ChP.

Items
2. Electronics Industry
- Used in processes like cleaning, photolithography, and electroplating of electronic components (such as chips, semiconductors, circuit boards) to prevent impurities in water from causing performance degradation or damage to the components.
- Water Requirements (For reference only): Conforms to ASTM, SEMI, etc.

PM
DO
Resistivity(25°C) :
≥18.2 MΩ·cm
TOC :
≤5 ppb
Microbial Limits :
≤1 CFU/mL
Bacterial endotoxins :
<0.03 EU/mL
PM :
≥0.05 μm
Metal Ions(Na⁺, K⁺, Ca²⁺, Al³⁺) :
<1 ppt
DO :
≤5 ppb
SiO₂ :
3. Chemical Industry and Scientific Research
- In fine chemical production, it serves as a reaction medium or solvent to ensure the purity and stability of chemical reactions.
- In laboratories, it is used for chemical analysis, experimental research, instrument calibration, etc., to guarantee the accuracy of experimental results.
- Water Requirements (For reference only):Conforms to ASTM, etc.

Items
SiO₂
Requirements
4. Food and Beverage Industry
- In the production process of some high-end foods and beverages (such as bottled water, fruit juice, beer), it is used for raw material cleaning, batching, washing of packaging containers, etc., to improve the hygienic quality of products.
- Water Requirements (For reference only): Conforms to China National Standard GB 17323, and so on.

Items
PH
Requirements
5. Cosmetics and Daily Chemical Industry
- In the production of high-purity cosmetics and skin care products, it is used as raw material water to reduce the impact of impurities on product stability and irritation.
- Water Requirements (For reference only):Conforms to USP, EP,etc.

Items
Requirements
≤ 0.1 mg/L
6. Power Industry
- It is used for boiler feed water treatment to prevent boiler scaling and corrosion, and to improve boiler thermal efficiency and operational safety.
- Water Requirements (For reference only)

Items
Requirements
≤ 5 µg/L
