
Pure Steam Solution
Main Characteristics of Pure Steam
- High purity, free from additives
- Free from pyrogens (bacterial endotoxins)
- High dryness value (high dryness fraction)
- Low non-condensable gas content
- Stable pressure/temperature relationship
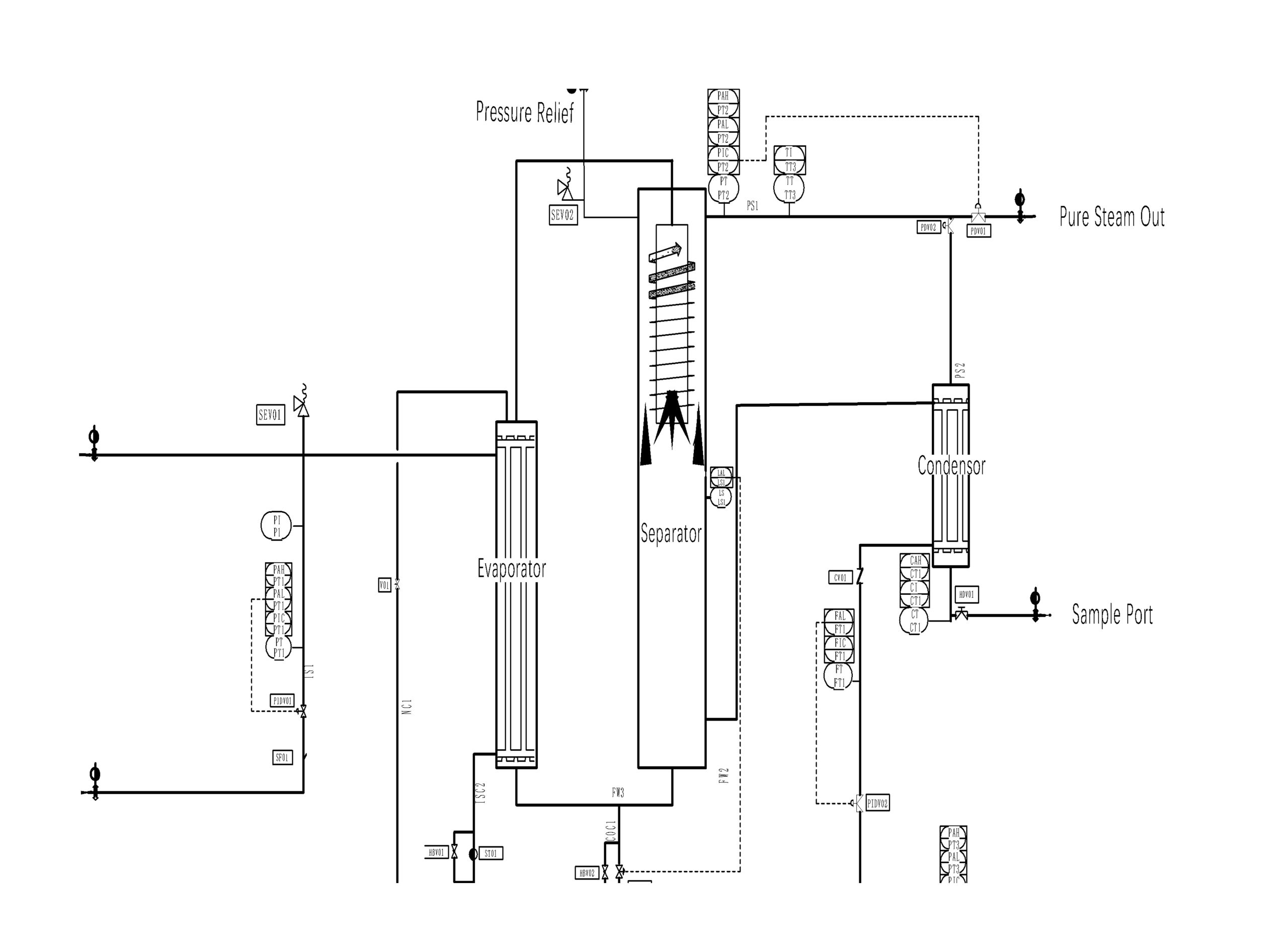
Technology of Pure Steam Generation
Modular components of Pure Steam Generation
Pure steam is a highly clean, pyrogen-free, and impurity-free vapor widely used in industries with stringent requirements for hygiene and sterility, particularly in pharmaceuticals, biotechnology, and medical devices. Below is a classification of its main applications:
1. Pharmaceutical and Biopharmaceutical Industry
- Sterilization: High-temperature sterilization in autoclaves; Sterilization-in-Place (SIP) of pipelines, valves, storage tanks, and filters; sterilization of aseptic filling systems.
- Equipment Cleaning: High-temperature cleaning of sterile production line equipment; surface disinfection and depyrogenation in clean areas.

2. Medical Devices and Hospital Applications
- Sterilization of surgical instruments;
- Disinfection of sterile packaging;
- Sanitization of hemodialysis equipment;
- High-temperature sterilization processes in Central Sterile Supply Departments (CSSD).

3. Food and Beverage Industry
- Sterilization of packaging containers;
- Cleaning of production line equipment;
- Contamination-free heat source in cooking processes.

4. Electronics and Precision Industries
- Heat source for high-purity water systems;
- Sterile treatment of cleanroom equipment;
- Auxiliary heat treatment in semiconductor processes.

Global Standards on Key Physical Parameters for Pure Steam
Physical Parameters
EN 285:2015
HTM 2010 & NHS
ASME BPE & Industry Practice
WHO GMP Annex
China GMP / Industry Practice
Dryness
≥ 0.95
(i.e., ≥ 95%)
≥ 0.9
(Typically ≥ 0.95)
≥ 0.95
(Widely Accepted Best Practice)
≥ 0.95
(Refers to EN Standard)
≥ 0.9
(Generally ≥ 0.95, aligning with EN)
Non-condensable Gases
≤ 3.5%
(v/v volume ratio)
≤ 3.5%
(Consistent with EN)
≤ 3.5%
(Widely Accepts EN Standard)
≤ 3.5%
(Refers to EN Standard)
≤ 3.5%
(Widely Accepts EN Standard)
Superheat
≤ 25 K
(Measured at 101.3 kPa, 100°C)
≤ 25 K
(Consistent with EN)
≤ 5°C
(Measured at the sterilizer chamber inlet, more stringent requirement)
≤ 25 K
(Refers to EN Standard)
≤ 25 K
(Widely Accepts EN Standard)
Pressure Range
Meets sterilization process requirements
Meets sterilization process requirements
Meets sterilization process requirements
Meets sterilization process requirements
Meets sterilization process requirements
